Дымосос ДН-6,3-5,5/1500 в Магасе

Цена:
Цена не указана
Количество:
Отправляя свои личные данные через формы на сайте, Вы даёте своё согласие на обработку персональных данных согласно Федеральному закону №152-ФЗ «О персональных данных» от 27.07.2006 г. в редакции от 01.07.2017.

Описание дымососа

Дымосос ДН-6,3-5,5/1500 — тягодутьевая машина предназначенная для удаления дымовых газов после сгорания топлива в топках паровых и водогрейных котлах. Центробежные дымососы ДН-6,3 могут использоваться не только для котельных установок, но и для ряда промышленного оборудования, где необходимо обеспечение подачи приточной тяги или очистки воздуха. Предельно допустимая температура рабочего потока (приточный воздух или дымовой газ) составляет 200 °C.

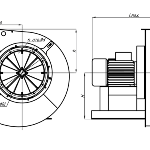
Конструкция дымососа ДН-6,3 с электродвигателем мощностью 5,5 кВт и частотой вращения 1500 об/мин проста и надежна. Промышленный дымосос состоит из несущего каркаса — сварная рама из стального профилированного проката, и металлического кожуха типа «улитка». На раме расположен электродвигатель, соединенный с рабочим колесом, посаженным на вал двигателя либо ходовую часть привода, что потребует более мощный привод. Рабочее колесо имеет 16 лопаток загнутые назад. Дымососы одностороннего всасывания изготавливаются правого и левого направления вращения.

Установка дымососа ДН-6,3-5,5/1500 осуществляется на подготовленное основание в помещении или на открытом воздухе методом анкерного соединения. Монтаж основания к установочной плоскости выполняется через виброгасящие прокладки. При проведении монтажных работ поворотный корпус улитки обеспечивает выбор нужного угла стыковки. Производительность — 4000 м³/ч. Полное давление — 885 Па. Дымососы ДН рассчитаны на непрерывный режим работы в условиях умеренного климата У, категории размещения 1, 2, 3 и 4 по ГОСТ 15150-69. Котельный дымосос ДН-6,3-1500 эксплуатируется в температурных условиях от -30 до +40 °C.

Для повышения срока службы и эффективности работы дымососа рекомендуется установка всасывающего кармана и проводить техническое обслуживание (ТО), периодичность которого регламентируется технической документацией на оборудование.

Более подробную информацию Вы можете получить у наших специалистов. Чтобы приобрести котельный центробежный дымосос ДН-6,3 с электродвигателем мощностью 5,5 кВт и частотой вращения 1500 об/мин, достаточно позвонить нам либо оставить заявку и мы обязательно с Вами свяжемся.

Характеристики
Тип дымососа: Центробежный
По назначению: Промышленный
По назначению: Дутьевой (тягодутьевой)
Серия: ДН
Диаметр рабочего колеса: 6,3 дм
По количеству входов: Одностороннего всасывания
Направление вращения: Левое
Направление вращения: Правое
Число лопаток: 16 шт
Положение лопаток: Загнутые назад
Схема исполнения: 1
Схема исполнения: 3
Электродвигатель: АИР112М4
Мощность: 5.5 кВт
Частота вращения: 1500 об/мин
Производительность: 4000 м³/ч
Полное давление: 885 Па
Температура рабочей среды: 200 °C
Климатическое исполнение: Умеренный климат (У)
Категория размещения: 1
Категория размещения: 2
Категория размещения: 3
Категория размещения: 4
Масса без двигателя: 195 кг
Масса с двигателем: 262 кг
Схемы

Города поставок

Москва
Пн-Пт 09:00 - 18:00
Сб 09:00 - 17:00
Карачаево-Черкесская Республика
Пн-Пт 09:00 - 18:00
Сб 09:00 - 17:00
Екатеринбург
Пн-Пт 09:00 - 18:00
Сб 09:00 - 17:00

Совершите покупку за 4 шага

Шаг 1
Выберите товары из каталога
Шаг 2
Поместите нужные вам товары в корзины
Шаг 3
Укажите свои контактные данные в форме обратной связи
Шаг 5
Ожидайте звонка от менеджера для оформления покупки

Похожие товары

Дымососы ДН
Дымососы ДН
Цена от 0 руб.
Дымососы Д
Дымососы Д
Цена от 0 руб.
Дымососы для котлов
Вы смотрели эти товары
Дробилки
Промышленная дробилка ВДП-15 представляет собой дробилку-питатель, которая используется для предварительного измельчения угля и подачи готового сырья на транспортер. Оборудование способно разбивать крупную фракцию твердого топлива для оптимизации процессов горения. Применение дробилки данного типа позволяет исключить остановку котельной на случай выхода из строя основного бункера с углем.
Вентиляторы промышленные
Вентиляторы ВЦ-14-46-6,3-7,5/750 относятся к разновидности промышленных устройств, которые предназначены для установки в системах вентиляции и кондиционирования. Оборудование комплектуется мощным электрическим двигателем и металлическим корпусом. ВЦ способен обеспечить среднее давление внутри вентиляционной системы.
Котельные установки
Модульная котельная МКУ-0.15 — система водогрейных котельных агрегатов, оснащенная всем необходимым оборудованием, и собранная в компактном помещении из сварного металлического материала. Используется для производства тепловой энергии на нужды отопления (нагрев жидкости до 115 °С), и воды для горячего водоснабжения.